Title: On the modelling of piping erosion

Year: 2006

Content: This study develops a mechanistic model for piping erosion based on two-phase flow equations with interface erosion laws. Starting from mass and momentum conservation with jump conditions at the fluid–soil interface, the authors derive a simplified analytical model for the enlargement of a cylindrical erosion channel under constant pressure drop conditions. A characteristic erosion time is introduced, and scaling laws for pipe radius and discharge evolution are obtained. Comparison with hole erosion test data confirms the validity of the proposed framework, providing a continuum-based predictive model for piping progression in hydraulic structures.

Title: Subsurface erosion by soil piping: Significance and research needs

Year: 1990

Content: This paper reviews the phenomenon of subsurface erosion by soil piping, emphasizing its geomorphological and engineering significance. It discusses the mechanisms of pipe initiation and enlargement under seepage flow, the role of soil stratification and hydraulic gradients, and the contribution of piping to gully development and structural failures. The authors highlight the difficulty in predicting pipe growth rates and collapse, and identify major research needs, including improved field detection methods and better mechanistic models. The paper serves as a foundational review establishing piping as a critical but under-quantified internal erosion process.

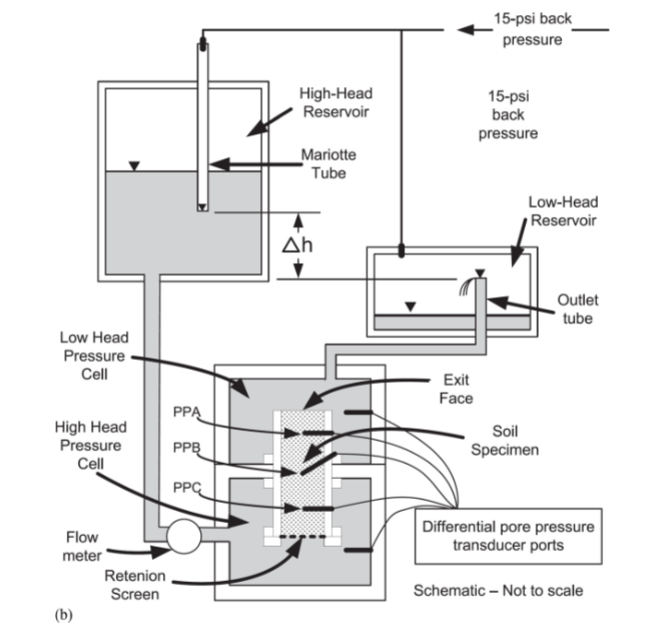
Title: Laboratory Modeling of the Mechanismsof Piping Erosion Initiation

Year: 2014

Content: This study experimentally investigates the initiation mechanisms of piping erosion using controlled laboratory models. The authors examine how hydraulic gradients, soil properties, and boundary conditions influence the onset of pipe formation. Results show that piping initiation is governed by localized stress concentrations and hydraulic shear along defects or preferential flow paths, rather than uniform seepage conditions. The work clarifies the transition from seepage-induced particle detachment to the development of a continuous erosion channel, providing mechanistic insight into the early stages of piping failure.

Title: Developments in modelling of backward erosion piping

Year: 2012

Content: This paper reviews and advances modeling approaches for backward erosion piping (BEP), a form of piping that initiates at the downstream exit and progresses upstream. The study discusses analytical, empirical, and numerical models used to predict critical hydraulic gradients and pipe progression. It emphasizes the role of seepage flow concentration, sand transport at the pipe tip, and feedback between pipe growth and hydraulic head redistribution. The work highlights the need for improved mechanistic understanding and provides a framework for integrating laboratory observations with predictive piping models for levees and embankments.

Title: Factors affecting piping erosion resistance revisited with a numerical modeling approach

Year: 2017

Content: This study re-examines the factors controlling piping erosion resistance using a numerical modeling framework. The authors analyze how soil properties (e.g., grain size distribution, permeability, strength parameters) and hydraulic conditions influence the initiation and progression of backward erosion piping. The numerical results demonstrate that piping resistance is governed by the interaction between hydraulic gradients, soil mechanical stability, and sediment transport capacity at the pipe tip. The work refines existing predictive criteria and improves understanding of how material properties control piping susceptibility in levees and embankments.